2.54MM (0.1\"\") Breacadh PIN CEANNTÁSC
SPECIFICATION
MATERIALS (TEAGMHÁLACHA): Copar Alloy, Óirnó Stáin (os cionn Nicil) chríochnú
MATERIALS (Cásálacha): Caighdeánnó Ard Teochta Plaisteacha, rátuithe i UL94V-0
CURRENT: 3A in aghaidh an teagmháil
MAXIMUM voltas: 800V AC, 500V DC
CONTACT FRIOTAÍOCHT: 30mΩmax
INSULATION FRIOTAÍOCHT: 1,000mΩmin
OPERATING teocht:-40℃to 105℃
DURABILITY: 300 timthriallta cúplála (ór)nó 50 timthriallta cúplála (stáin)
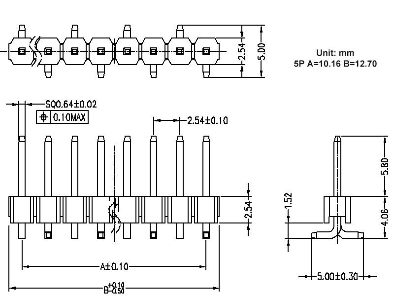
DRAWING
(Déan teagmháil le foireann díolacháin a fháilníos mó mionsonraí faoin toisí)
What' s is í feidhm header bioráin feidhme
its bheith ag feidhmiú mar dhroichead idir ciorcaid bacnó scoite amach sa chiorcad PCB bord, agus atá freagrach as faoi láthairnó comhartha? tarchur.
\\ Is iadna samhlacha header bioráin hwwwwwhatná go leor cineálacha ceanntásca bioráin a rangaítear de réirna gcaighdeán sa tionscal leictreonaice chun freastal ar riachtanas éagsúil. De réir an spás, is féidir é a roinnt go garbh i 2.54mm (0.1 in), 2.0mm (0.079 i), 1.27mm (0.05 in), 1.0mm (0.04 in), 0.8 mm (0.03 in). Is iondúil go mbíonn an fad idir bioráin mar pháirc sa phobal leictreonach. De réir líonna sraitheanna, tá sraith amháin, a chéile dúbailte, trí shraith, srl. De réir an úsáid phacáiste, tá paistí SMT (leagan teicneolaíochta dromchla Nmount) agus plugnin snámh (bioráin trí fheistí poll), \\ tn ina measc, is féidir ceanntásca bioráin FBS a roinnt ina header bioráin cothrománach agus header bioráin ingearach, agus is féidir cineálacha Diop a roinnt ina header isteach bioráin díreach ar aghaidh agus lúbthachta header bioráin leanas a chur isteach. Chomh maith le sin, roinnte muid sé i dtrí chineál de réir an-modh suiteála, tá 180 ° suiteáil arb ionannas dó
s, 90 ° Is é a shuiteáil ionadaíocht agW, agus tá FBS suiteáil arb ionannas dóT.
-- """"What""39; s an raon cur i bhfeidhm header bioráin
raon Application:? Ceannacht Trealamh próiseála, Ríomhaire , trealamh Clár rialaithe, trealamh tomhais Leictreonach, trealamh rialaithe uathoibríoch, trealamh Uathoibriú, trealamh cumarsáide, etc
&#

Nimi: Haimei Liang
Töö nimetus: sales manager
Osakond: Sales Department
Ettevõtte telefon: +86 0769 83450370
E-post: Võta meiega ühendust
Mobiiltelefon: +86 18929181819
Veebisait: dgwin.estb2b.com
Aadress: No.67,Dongshen Road,Qiaotou Town,Dongguan City,China