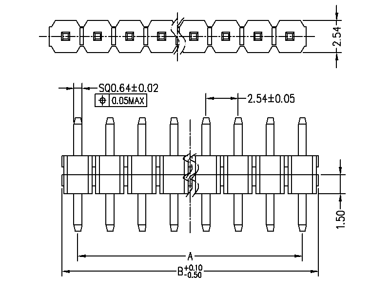
2.54MM (0.1\"\") Breacadh PIN CEANNTÁSC
SPECIFICATION
MATERIALS (TEAGMHÁLACHA): Copar Alloy, Óirnó Stáin (os cionn Nicil) chríochnú
MATERIALS (Cásálacha): Caighdeánnó Ard Teochta Plaisteacha, rátuithe i UL94V-0
CURRENT: 3A in aghaidh an teagmháil
MAXIMUM voltas: 800V AC, 500V DC
CONTACT FRIOTAÍOCHT: 30mΩmax
INSULATION FRIOTAÍOCHT: 1,000mΩmin
OPERATING teocht:-40℃to 105℃
DURABILITY: 300 timthriallta cúplála (ór)nó 50 timthriallta cúplála (stáin)
DRAWINGS
What' =? s PIN Ceanntásc
Pin Ceanntásc ar chineál an cónascaire leictreach. giorraithe againn de ghnáth mar PHnó header simplí, \\ Filleann NAND tá an dea-cháil connectors.This uilíoch chineál cónascaire a úsáidtear go forleathan i cláir chiorcad PCB i leictreonaic, fearais leictreacha, agus méadair.
What&39; s an fheidhm header bioráin#
its fheidhmIS bheith ag feidhmiú mar dhroichead idir ciorcaid bacnó scoite amach? sa chiorcad PCB bord, agus atá freagrach as tarchur reathanó comhartha.
What atá HRE samhlacha header bioráin?
There Tá cuid mhaith cineálacha dena ceanntásca bioráin agus a aicmítear i gcomhréir leisna caighdeáin sa tionscal leictreonaice le cur freastal éagsúla de dhíth orthu. De réir an spás, is féidir é a roinnt go garbh i 2.54mm (0.1 in), 2.0mm (0.079 i), 1.27mm (0.05 in), 1.0mm (0.04 in), 0.8 mm (0.03 in). Is é an fad idir bioráin dá go coitianta mar pháirc sa phobal leictreonach. De réir líonna línte, tá sraith aonair, double as a chéile, trí sraitheanna, etc Dar leis an úsáid phacáiste, tá paistí FBS (dromchla \\ version teicneolaíochtnmount) agus breiseánin Dip (bioráin trí feistí poll),-ina measc, is féidir ceanntásca bioráin FBS a roinnt ina header bioráin cothrománach agus header bioráin ingearach, agus is féidir cineálacha Diop a roinnt ina header isteach bioráin díreach ar aghaidh agus lúbthachta header bioráin leanas a chur isteach. Chomh maith le sin, roinnte muid sé i dtrí chineál de réir an-modh suiteála, tá 180 ° suiteáil arb ionannas dó-s , 90 ° Is é a shuiteáil ionadaíocht ag"W", agus tá FBS suiteáil arb ionannas dó"T".""
What39; s an raon cur i bhfeidhm header bioráin&#raon
Application:? Ceannacht Trealamh próiseála, Ríomhaire , trealamh Clár rialaithe, trealamh tomhais Leictreonach, trealamh rialaithe uathoibríoch, trealamh Uathoibriú, trealamh cumarsáide, etc

Nimi: Haimei Liang
Töö nimetus: sales manager
Osakond: Sales Department
Ettevõtte telefon: +86 0769 83450370
E-post: Võta meiega ühendust
Mobiiltelefon: +86 18929181819
Veebisait: dgwin.estb2b.com
Aadress: No.67,Dongshen Road,Qiaotou Town,Dongguan City,China