2.54MM (0.1\"\") Breacadh PIN CEANNTÁSC
SPECIFICATION
MATERIALS (TEAGMHÁLACHA): Copar Alloy, Óirnó Stáin (os cionn Nicil) bailchríoch
MATERIALS (Cásálacha): Caighdeánnó Ard Teochta Plaisteacha, rátuithe i UL94V-0
CURRENT: 3A in aghaidh an teagmháil
MAXIMUM voltas: 800V AC, 500V DC
CONTACT FRIOTAÍOCHT: 30mΩmax
INSULATION FRIOTAÍOCHT: 1,000mΩmin
OPERATING teocht:-40℃to 105℃
DURABILITY: 300 timthriallta cúplála (ór)nó 50 timthriallta cúplála (stáin)
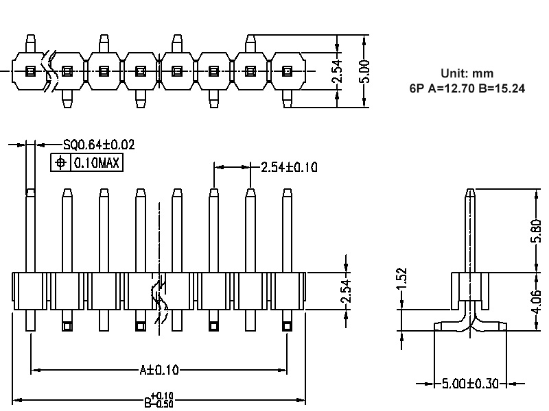
DRAWING
(Déan teagmháil le díolacháin foirne a fháilníos mó mionsonraí faoin toisí)
What' =? s an fheidhm header bioráin Is feidhm
its bheith ag feidhmiú mar dhroichead idir ciorcaid bacnó scoite amach sa chiorcad PCB bord, agus atá freagrach as tarchur reathanó comhartha.
What atá HRE samhlacha header bioráin?
There a ath cuid mhaith cineálacha de ceanntásca bioráin agus a aicmítear i gcomhréir leisna caighdeáin i dtionscalna leictreonaice chun freastal éagsúla de dhíth orthu. De réir an spás, is féidir é a roinnt go garbh i 2.54mm (0.1 in), 2.0mm (0.079 i), 1.27mm (0.05 in), 1.0mm (0.04 in), 0.8 mm (0.03 in). Is iondúil go mbíonn an fad idir bioráin mar pháirc sa phobal leictreonach. De réir líonna línte, tá sraith aonair, double as a chéile, trí sraitheanna, etc Dar leis an úsáid phacáiste, tá paistí FBS (dromchla \\ version teicneolaíochtnmount) agus breiseán-in Dip (bioráin trí feistí poll),-I measc iad, is féidir le ceanntásca PIN SMT a roinnt i header bioráin cothrománach agus ceanntásc bioráin ingearach, agus is féidir cineálacha snámha a roinnt ina header bioráin isteach díreach agus ceanntásc bioráin isteach. Chomh maith le sin, roinnte muid sé i dtrí chineál de réir an-modh suiteála, tá 180 ° suiteáil arb ionannas dó s", 90 ° Is é a shuiteáil ionadaíocht ag"W", agus tá FBS suiteáil arb ionannas dó"T"."
What&39; s an raon cur i bhfeidhm header bioráin#
raonApplication:? Ceannacht Trealamh próiseála, Ríomhaire , trealamh Clár rialaithe, trealamh tomhais Leictreonach, trealamh rialaithe uathoibríoch, trealamh Uathoibriú, trealamh cumarsáide, etc

Nimi: Haimei Liang
Töö nimetus: sales manager
Osakond: Sales Department
Ettevõtte telefon: +86 0769 83450370
E-post: Võta meiega ühendust
Mobiiltelefon: +86 18929181819
Veebisait: dgwin.estb2b.com
Aadress: No.67,Dongshen Road,Qiaotou Town,Dongguan City,China