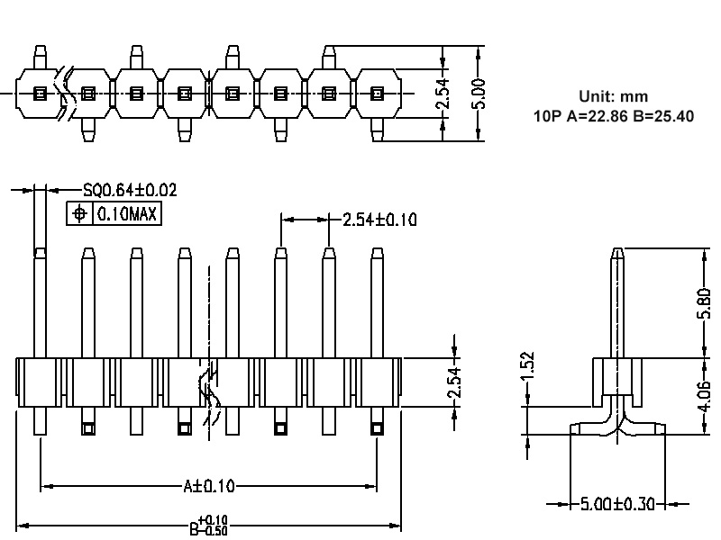
2.54MM (0.1\"\") Breacadh PIN CEANNTÁSC
nnnnnnnn gnúban annmaterials (teagmhálacha): cóimhiotal copair, órnó stáin (os cionnnicil) a chríochnú (Cásálacha): plaisteach caighdeánachnó ardteochta , rátuithe i UL94V
0CURRENT: 3A in aghaidh an teagmháil
MAXIMUM voltas: 800V AC, 500V DC
CONTACT FRIOTAÍOCHT: 30mΩ max-
INSULATION FRIOTAÍOCHT: 1,000MΩ min
OPERATING teocht:40 ℃ go 105 ℃
DURABILITY: 300 timthriallta cúplála (ór)nó 50 timthriallta cúplála (stáin)
-
DRAWING
(Déan teagmháil le foireann díolacháin a fháilníos mionsonraí faoina toisí)
What
39 =? s an fheidhm header bioráin\\ tá feidhmnits bheith ag feidhmiú mar dhroichead idir ciorcaid bacnó scoite amach sa chiorcad PCB bord, agus atá freagrach as tarchur reathanó comhartha.
&#What atá HRE samhlacha header bioráin?
goThere cuid mhaith cineálacha de ceanntásca bioráin agus a aicmítear i gcomhréir leis an STAndards i dtionscalna leictreonaice chun freastal éagsúla de dhíth orthu. De réir an spás, is féidir é a roinnt go garbh i 2.54mm (0.1 in), 2.0mm (0.079 i), 1.27mm (0.05 in), 1.0mm (0.04 in), 0.8 mm (0.03 in). Is iondúil go mbíonn an fad idir bioráin mar pháirc sa phobal leictreonach. De réir líonna línte, tá sraith aonair, double as a chéile, trí sraitheanna, etc Dar leis an úsáid phacáiste, tá paistí FBS (dromchla \\ version teicneolaíochtnmount) agus breiseán
in Dip (bioráin trí feistí poll),ina measc, is féidir ceanntásca bioráin FBS a roinnt ina header bioráin cothrománach agus header bioráin ingearach, agus is féidir cineálacha Diop a roinnt ina header isteach bioráin díreach ar aghaidh agus lúbthachta header bioráin leanas a chur isteach. Chomh maith le sin, roinn muid é i dtrí chineál de réir a modh suiteála, 180 ° Suiteáil ionadaíocht ag, 90 ° Suiteáil ionadaíocht ag W, agus suiteáil SMT ionadaíocht ag
T.
-- What""39; s an raon cur i bhfeidhm header bioráin""""raonApplication:? Ceannacht Trealamh próiseála, Ríomhaire , trealamh Clár rialaithe, trealamh tomhais Leictreonach, trealamh rialaithe uathoibríoch, trealamh Uathoibriú, trealamh cumarsáide, etc

Nimi: Haimei Liang
Töö nimetus: sales manager
Osakond: Sales Department
Ettevõtte telefon: +86 0769 83450370
E-post: Võta meiega ühendust
Mobiiltelefon: +86 18929181819
Veebisait: dgwin.estb2b.com
Aadress: No.67,Dongshen Road,Qiaotou Town,Dongguan City,China