2.54MM (0.1\"\") Breacadh PIN CEANNTÁSC
SPECIFICATION
MATERIALS (TEAGMHÁLACHA): Copar Alloy, Óirnó Stáin (os cionn Nicil) bailchríoch
MATERIALS (Cásálacha): Caighdeánnó plaisteach teocht ard, a rátáil go dtí ul94vn0nnn h annn h annn h annn0murrent: 3A in aghaidh an teagmhálannnn hnádaithennn hnádaithe: 800V AC, 500V DCnn-CONTACT FRIOTAÍOCHT: 30m
Ωmax
INSULATION FRIOTAÍOCHT: 1,000mΩ
min\\ teochtnOPERATING:40℃
to 105℃DURABILITY: 300 timthriallta cúplála (ór)nó 50 timthriallta cúplála (stáin)
-
DRAWINGS
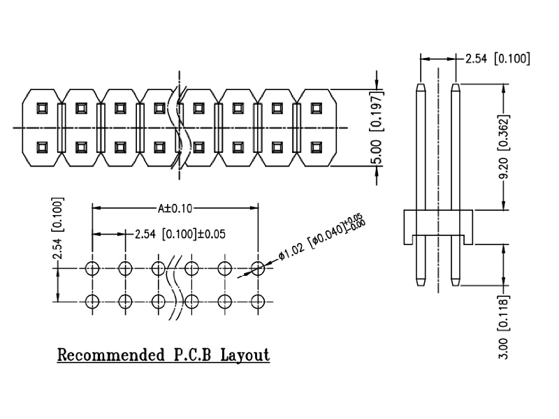
(Déan teagmháil le foireann díolacháin chunníos mó sonraí a fháil faoina toisí)nnnnnnnnnnnnnnnnnn on siadnnnnnnnnnnn h h hnn hn
WinWin Leictreonaic Cuireann gach cineál monarchan cónascaire caighdeánach go léir mar sin ar fáil MOLEX
TE.
our ADVANTAGE
l \\ Iarthuaisceartna hEorpa ó thaobh costais a chur ar fáileffective agus táirgí phraghas iomaíoch.
l \\ Iarthuaisceartna hEorpa féidir a dhearadh agus táirgí a tháirgeadh ar aon méid agus cruth de réirna riachtanais ár gcustaiméirí. Is
-l/The caighdeán an táirge atá inchomparáide leis MOLEX, Tá an praghasníos fearr.nnnnnnnnnnnnnnnnnn Táimid ag déanamh ár gcuid táirgí a dhéantar lenár gcuid táirgí amach anseo NPRO NOFED ÁBHAIR NOFIN HALOGEN, SVHC \\ _ N \\ _ N ree agus R
lTerminal Bloc ritheadh OLVDECB
CECQC
CB
-l
FULL AISÍOC i gcás Bad Cáilíochtanó SEACHADADH DHÉANACHA.
linniúlacht lárnach our
Pin -Headers---Female Ceanntásc Críochfort Blocl
teachtaireacht luachour Is Quality dtús, Ar an am a sheachadadh, seirbhísí foirfe agus WinWin/.////l
F\\ Tairiscint Samplachnree
Smallorder fáilte roimh &PACKAGE &
Package in téip:-This cineál pacáiste do chónaisc SMT, a chosaint arna bioráin ó dífhoirmiúchán
Convenient do asse uathoibríoch mbly agus a phróiseáil pickup, agus a shábháil a lán de chostas saothairPackage in Tube:. &This Tá cineál pacáiste oiriúnach do go leor cineálacha dena chónaisc i gcomhréir le riachtanais, an pacáistiú modhníos fearr a chosnaíonnna bioráin ó dífhoirmiúchánPackage i málaí PE:. This an chuid is món
c
\\ pacáistiú
Package sa bhosca Blister:.
Commonly úsáidtear pacáistiú, le beagán cosúil leis pacáistiú feadán blister,
can chosaintníos fearr ar an stitch táirge.

Nimi: Haimei Liang
Töö nimetus: sales manager
Osakond: Sales Department
Ettevõtte telefon: +86 0769 83450370
E-post: Võta meiega ühendust
Mobiiltelefon: +86 18929181819
Veebisait: dgwin.estb2b.com
Aadress: No.67,Dongshen Road,Qiaotou Town,Dongguan City,China