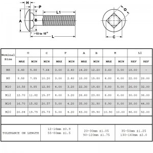
[

["DIN6334"]

["Tá Yzb ar fáil ina dhiaidh seo Grád: 6,8,10 Ábhar: Cruach carbóin, cruach dhosmálta. Plating: Sinc Cr3, Hot Dip Gal, Plain, Dacrotized, Teflon, Fosfáite, agus go leor cineál Colorful Dye"]
[

["DIN935"]

["Tá Yzb ar fáil ina dhiaidh seo Grád: 6,8,10 Ábhar: Cruach carbóin, cruach dhosmálta. Plating: Sinc Cr3, Hot Dip Gal, Plain, Dacrotized, Teflon, Fosfáite, agus go leor cineál Colorful Dye"]
Sreang draenálaí urláir soróin sa seomra folctha

Sreang draenálaí urláir soróin sa seomra folctha

1.   Múnla NO: T1054 2.   Méid: 100 * 100 mm 3.   Cóireáil dromchla: Chrome plátáilte 4.   Ábhar: Prás 5.   Stíl: Comhaimseartha 6.   Gnéithe Speisialta: Frithbholadh, clúdach neamh-inaistrithe, patrún d...
11oz Magic Coffee Heat Delctive Mugi Color Muutuv Heat Cup, keraamilised kohvitassid

11oz Magic Coffee Heat Delctive Mugi Color Muutuv Heat Cup, keraamilised kohvitassid

1.Suurus: D: 8.0 cm, H: 9.5 cm /11oz Kaks.Materiel: kivikeraad; New Bone China Kolmas.Värv: kohandatud 4.Tooted võivad olla kohandatud vastavalt teie kujundusele 5.OEM logo või kujundus on soojalt teretulnud. 6.Plii vaba ja madal kaadmium, FDA & CA p...
Dramhaíl draein gaiste urláir cearnóige

Dramhaíl draein gaiste urláir cearnóige

1. NÍL MÓIL: T1057 2.Size: 100 * 100 mm 3.Cóireáil dromchla: Chrome plátáilte 4. Ábhar: Prás 5.Style: Sealadach 6.Gnéithe Speisialta: Frithbholadh, clúdach neamh-inaistrithe, patrún difriúil
top